Стрелочный индикатор уровня записи К157ДА1

Радиосхемы / Индикаторы уровня | 14-06-2014, 17:19 | Просмотров: 39 871 | Комментарии: 3

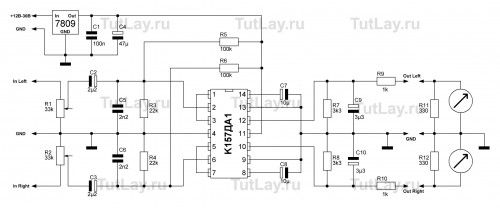
Стрелочный индикатор уровня записи на микросхеме К157ДА1.

Технические характеристики:

  • Напряжение питания: 12V - 30В
  • Номинальное напряжение питания: 12В
  • Размер печатной платы: 49x30мм



  • Схема стрелочного индикатора уровня К157ДА1.




    Набор деталей



    Микросхемы:
    К157ДА1 (Аналогов нет)
    LM7809 Аналог КР142ЕН8А

    Конденсаторы:
    0.0022u (222) -2 Шт
    0.1u (104) -1 Шт
    2.2u/50V -2 Шт
    3.3u/50V -2 Шт
    10u/25V -2 Шт
    47u/16V -1 Шт

    Резисторы:
    330 -2 Шт
    1k -2 Шт
    3k3 -2 Шт
    22k -2 Шт
    100k -2 Шт

    Подстроечный резисторы:
    33k -2 Шт

    Печатная плата индикатора уровня К157ДА1.




    Скачать [630,72 Kb] (cкачиваний: 2275) схему стрелочного индикатора уровня К157ДА1 и печатку в формате Lay


    1. Александр | 1 мая 2017 17:56
      № 1
      Собрал! Всё отлично работает! Спасибо!
    2. Василий | 15 ноября 2019 20:03
      № 2
      С9-С10 - полярность посмотрите, если общий - "минус"
    3. module | 18 июня 2025 06:40
      № 3
      не скачивается ни один из файлов

    Добавление комментария

    Ваше Имя:
    Ваш E-Mail:
    • bowtiesmilelaughingblushsmileyrelaxedsmirk
      heart_eyeskissing_heartkissing_closed_eyesflushedrelievedsatisfiedgrin
      winkstuck_out_tongue_winking_eyestuck_out_tongue_closed_eyesgrinningkissingstuck_out_tonguesleeping
      worriedfrowninganguishedopen_mouthgrimacingconfusedhushed
      expressionlessunamusedsweat_smilesweatdisappointed_relievedwearypensive
      disappointedconfoundedfearfulcold_sweatperseverecrysob
      joyastonishedscreamtired_faceangryragetriumph
      sleepyyummasksunglassesdizzy_faceimpsmiling_imp
      neutral_faceno_mouthinnocent
    Введите два слова, показанных на изображении: